±ØÒ»Ô˶¯¹É·Ý:688160
×ÉѯÈÈÏߣº400 700 5281
ÖÐÎÄ

ÓÅÐã°¸Àý | ±ØÒ»Ô˶¯FV21ϵÁÐËÄÏóÏÞ±äÆµÆ÷ÔÚ³éÓÍ»úÉϵÄÓ¦ÓÃ

2020-07-22   ·ÃÎÊÈËÊý£º5035


Ïà¹Ø²úÆ·ÔĶÁ£ºÄãµÄÏÂһ̨±äƵÆ÷£¬¿ÉÒÔ¸ü½ÚÄÜ



ÕªÒª£ºËÄÏóÏÞ±äÆµÆ÷²ÉÓÃPWM¿ØÖƵÄIGBTÕûÁ÷¼¼Êõ£¬¶ÔÕûÁ÷ÓëÄÜÁ¿»ØÀ¡µÄË«Ïò¿ØÖÆ£¬ÕæÕýµÄËÄÏóÏÞÔËÐУ¬¿ÉÒÔÍêÃÀ½â¾ö³éÓÍ»ú´æÔÚÄÜÁ¿µ¹¹àµÄÎÊÌâ¡£±¾ÎĽéÉÜËÄÏóÏÞ±äÆµÆ÷µÄ¹¤×÷Ô­ÀíÒÔ¼°±ØÒ»Ô˶¯FV21ϵÁÐËÄÏóÏÞ±äÆµÆ÷ÔÚijÓÍÌïµÄÓ¦Óð¸Àý¡¢¾­¼ÃÐ§Òæ·ÖÎö¡£ÏÖ³¡ÔËÐнá¹û±íÃ÷£¬FV21ϵÁÐËÄÏóÏÞ±äÆµÆ÷ÍêÈ«Âú×ã³éÓÍ»ú¹¤ÒÕÒªÇ󣬽ÚÄÜÏÔÖø£¬ÊÇÓÍÌïÉÏÕæÕýµÄ¡°ÂÌÉ«²úÆ·¡±¡£

 

ÒýÑÔ


¸÷ÓÍÌïÆÕ±é²ÉÓÃÓÎÁºÊ½³éÓÍ»ú×÷ΪÖ÷ÒªµÄ³é²ÉÉ豸£¬´æÔڵͲú³ö¡¢¸ßÄܺÄ¡¢´óÂíÀ­Ð¡³µµÄÎÊÌâ¡£½üÄêÀ´£¬Ëæ×ŵçÁ¦µç×Ó¼¼ÊõµÄ·¢Õ¹£¬±äƵ¼¼ÊõÓÉÓÚ¾ßÓнÚÄÜ¡¢µ÷³å´Î·½±ãµÈÓŵãÔÚÓÍÌïµÃµ½¹ã·ºµÄÓ¦Óá£ÔÚ³éÓÍ»úÔËÐйý³ÌÖУ¬µç¶¯»úʱ³£ÔËÐÐÔÚ·¢µç״̬¡£

 

ΪÁ˽â¾öÄÜÁ¿µ¹¹àµÄÎÊÌ⣬ĿǰÎÒ¹ú¸÷ÓÍÌï³éÓÍ»úÖ÷Òª²ÉÓÃÁ½¸ö·½°¸£º

1¡¢±äƵ¼ÓÖÆ¶¯µ¥ÔªºÍ±äƵ¼Ó»ØÀ¡µ¥Ôª¡£ÔÚĸÏßÉϼÓÖÆ¶¯µ¥Ôª¼°Öƶ¯µçÑô£¬½«ÄÜÁ¿Ö±½ÓÏûºÄÔÚÖÆ¶¯µç×èÉÏ£¬Õâ²»½ö²»ÀûÓÚ½ÚÄÜ£¬¶øÇÒÖÆ¶¯µç×èÉ¢ÈȺÍÊÙÃüÎÊÌâºÜÄѽâ¾ö£»

2¡¢Ä¸ÏßÉϲ¢Áª»ØÀ¡µ¥Ôª£¬½«µç»ú¹¤×÷ÔÚ·¢µç״̬ʱ²úÉúµÄÄÜÁ¿Í¨¹ý»ØÀ¡µ¥Ôª·´À¡µçÍø£¬ÊµÏֱ䯵Æ÷ÓëµçÍøÖ®¼ä·´ÏòÁ÷¶¯£¬µ«½â¾ö²»ÁËÄÜÁ¿ÓɵçÍøÁ÷Ïò±äƵÆ÷ʱ¹¦ÂÊÒòÊýµÍ£¬Ð³²¨µçÁ÷´óµÄÎÊÌâ¡£

 

Õë¶ÔÒÔÉÏÇé¿ö£¬±¾ÎÄÉè¼ÆÁËËÄÏóÏÞ¼¼ÊõµÄ·½°¸£¬¿É¿Ë·þÉÏÊöÁ½ÖÖ·½°¸µÄȱµã¡£ËÄÏóÏÞ±äÆµ¼¼Êõ½â¾öÁ˳éÓÍ»úÔÚϵͳ²»Æ½ºâʱµÄÔÙÉúÄÜÁ¿´¦ÀíÎÊ Ì⣬¾ßÓÐËÄÏóÏÞµÄÔËÐй¦ÄÜ,ͬʱÄÜÌá¸ß½ÚµçЧÂÊ£¬ ¼õСµçÔ´µÄг²¨ÎÛȾ£¬Ìá¸ß¹¦ÂÊÒòÊý¡£

 

ËÄÏóÏÞ±äÆµ¼¼Êõ½éÉÜ

 

  • ËÄÏóÏÞ±äÆµÆ÷Ô­Àí

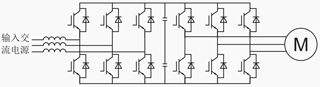
²ÉÓÃÈýÏàÂö¿íµ÷ÖÆ£¨Pulse width modulation£¬ PWM£©ÕûÁ÷´úÌæ²»¿É¿ØÕûÁ÷¶ø¹¹³ÉµÄËÄÏóÏÞ±äÆµÆ÷µçÂ·ÍØÆËÈçͼ1Ëùʾ£¬¿ÉÒÔ½«¸ºÔØ»úеÄÜת±äµÄµçÄÜ»ØË͸øµçÍø¡£


±äƵÆ÷, ËÄÏóÏÞ±äÆµÆ÷, ʲôÊÇËÄÏóÏÞ±äÆµÆ÷, ËÄÏóÏÞ±äÆµÆ÷ÓÐÄÄЩ, ËÄÏóÏÞ±äÆµ¼¼Êõ, ³éÓÍ»ú

ͼ1 ËÄÏóÏÞ±äÆµÆ÷µçÂ·ÍØÆË½á¹¹

 

  • ËÄÏóÏÞ±äÆµÆ÷ÁÁµã

 

ÓøßËÙ¶È¡¢¸ßÔËËãÄÜÁ¦µÄÕûÁ÷¿ØÖƵ¥ÔªDSP£¬²úÉú6·¸ßƵµÄPWMÂö³å¿ØÖÆÕûÁ÷²àµÄIGBTµÄ¿ªÍ¨ºÍ¹Ø¶Ï£¬IGBTµÄ¿ªÍ¨ºÍ¹Ø¶ÏÓëÊäÈëµç¿¹Æ÷¹²Í¬×÷ÓòúÉúÁËÓëÊäÈëµçѹÏàλһÖµÄÕýÏÒµçÁ÷²¨ÐΣ¬ÕâÑù¾ÍÏû³ýÁ˶þ¼«¹ÜÕûÁ÷Îö²úÉúµÄг²¨£¬¹¦ÂÊ ÒòÊý½Ó½üÓÚ1£¬´Ó¶øÏû³ýÁ˶ԵçÍøµÄг²¨ÎÛȾ£»

 

ËÄÏóÏÞ±äÆµ¼¼ÊõÕûÁ÷²à²ÉÓÃIGBT¹¦ÂÊÄ£¿é£¬¿ÉÒÔʵÏÖÊäÈëµçÍøÍ¬µç¶¯»úÄÜÁ¿µÄË«ÏòÁ÷¶¯£¬ÔÚϵͳ²»Æ½ºâʱ£¬¿ÉÒÔ½«²»Æ½ºâ²úÉúµÄÊÆÄÜ»ØÀ¡µçÍø£¬´Ó¶ø´ó´ó½µµÍ¶ÔϵͳƽºâµÄÒªÇó£»

µ±µç»ú¹¤×÷ÔÚ·¢µç״̬£¬µç»ú²úÉúµÄÄÜÁ¿Í¨¹ýÄæ±ä²àµÄ¶þ¼«¹Ü»ØÀ¡µ½Ö±Á÷ĸÏߣ¬ÕûÁ÷²à»ØÀ¡¿ØÖÆÆô¶¯£¬½«Ö±Á÷Äæ±ä³É½»Á÷£¬Í¨¹ý¿ØÖÆÄæ±äµçѹÏàλºÍ·ùÖµ½«ÄÜÁ¿»ØÀ¡µ½µçÍø£¬´ïµ½½ÚÄܵÄЧ¹û¡£

 

±ØÒ»Ô˶¯FV21ϵÁÐËÄÏóÏÞ±äÆµÆ÷ÓÅÐãÓ¦Óð¸Àý

 

2020Äê4Ô£¬º£ÄÏij²ÉÓͳ§×÷ÒµÇøÓ¦ÓÃÁË10̨37KWËÄÏóÏÞ±äÆµ¹ñ£¬ÏÖ³¡Í¼Èçͼ2¡¢Í¼3Ëùʾ¡£³éÓÍ»ú±äƵ¹ñÖ÷ÒªÓÐËÄÏóÏÞ±äÆµÆ÷¡¢¶Ï·Æ÷¡¢Ö¸Ê¾µÆ¡¢½Ó´¥Æ÷¡¢µçÄܱí¡¢·ÀÀׯ÷¡¢LCLµç·µÈ²¿·Ö×é³É£¬ÆäÖÐËÄÏóÏÞ±äÆµÆ÷ÊÇ±äÆµ¹ñºËÐIJ¿¼þ£¬Ñ¡ÓõÄÊDZØÒ»Ô˶¯FV21ϵÁÐËÄÏóÏÞ±äÆµÆ÷¡£


                                                                                          ±äƵÆ÷, ËÄÏóÏÞ±äÆµÆ÷, ʲôÊÇËÄÏóÏÞ±äÆµÆ÷, ËÄÏóÏÞ±äÆµÆ÷ÓÐÄÄЩ, ËÄÏóÏÞ±äÆµ¼¼Êõ, ³éÓÍ»ú      ±äƵÆ÷, ËÄÏóÏÞ±äÆµÆ÷, ʲôÊÇËÄÏóÏÞ±äÆµÆ÷, ËÄÏóÏÞ±äÆµÆ÷ÓÐÄÄЩ, ËÄÏóÏÞ±äÆµ¼¼Êõ, ³éÓÍ»ú

ͼ2 ÓÍÌïÏÖ³¡                                   Í¼3 ËÄÏóÏÞ±äÆµ¹ñ

 

ÓÍÌïÏÖ³¡¾­¼ÃÐ§Òæ·ÖÎö

 

ÔÚ´Ë´ÎÓÍÌïÏÖ³¡²âÊÔµÄ10̨±äƵ¹ñÖУ¬¿ÉÒԵõ½ÒÔϽáÂÛ£¨Ã¿ÈÕÊý¾Ý¼ûÏÂ±í£©£º

1¡¢Ã¿ÈÕ½ÚµçÁ¿Îª32¡ª160¶È£¬½ÚµçÂÊΪ30.01¡ª72.85%£»

2¡¢Æ½¾ùÿ̨ÿÈÕ½ÚµçÁ¿Ô¼Îª87.26¶È£¬½ÚµçÁ¿ÖÐλֵΪ73.9¶È£¬½ÚµçÂÊÆ½¾ùֵԼΪ47.93%£¬½ÚµçÂÊÖÐλֵΪ43.45%£»

3¡¢ÒÔÿÌìÿ̨½ÚµçÁ¿87.26¶È¼ÆË㣬ÿÌì½ÚÔ¼µç·Ñ87.26 X 0.769 = 67.10Ôª£»Ã¿Äê½ÚÔ¼³É±¾67.10 X 365 = 24492.5Ôª¡£

±äƵÆ÷, ËÄÏóÏÞ±äÆµÆ÷, ʲôÊÇËÄÏóÏÞ±äÆµÆ÷, ËÄÏóÏÞ±äÆµÆ÷ÓÐÄÄЩ, ËÄÏóÏÞ±äÆµ¼¼Êõ, ³éÓÍ»ú

½áÓï

 

ͨ¹ýÓÍÌïÏÖ³¡³¤Ê±¼äµÄÔËÐÐÇé¿öÀ´¿´£¬±ØÒ»Ô˶¯FV21ϵÁÐËÄÏóÏÞ±äÆµÆ÷ÍêÈ«Äܹ»Âú×ã³éÓÍ»ú¹¤ÒÕÐèÇ󣬲»½öÄܹ»ÊµÏֽϺõĽÚÄÜЧ¹û£¬ÇÒÄܹ»¸ÄÉÆÌá¸ß³éÓÍ»úÉ豸¹¦ÂÊÒòÊý£¬¾­¼ÃÐ§ÒæÏÔÖø¡£

±ØÒ»Ô˶¯ÊǹúÄÚÇüÖ¸¿ÉÊýµÄÕÆÎÕËÄÏóÏÞ±äÆµÆ÷¼¼ÊõµÄ×Ô¶¯»¯¹«Ë¾£¬ÒÀÍжàÄêÔÚ×Ô¶¯»¯ÐÐÒµµÄÓ¦Óþ­Ñ飬ŬÁ¦ÈÃÖйúÖÆÔì³ÉΪȫÇò¶¥¼¶ÖÆÔì¡£


±ØÒ»Ô˶¯FV21ϵÁÐËÄÏóÏÞ±äÆµÆ÷Ϊ¸ßÐÔÄÜʸÁ¿±äƵÆ÷£¬¹ã·ºÓ¦ÓÃÓÚÓÍÌï³éÓÍ»ú¡¢µç»ú¶ÔÍÏÆ½Ì¨¡¢Æ¤´øÊäËÍ»ú¡¢ÆðÖØ»úе¡¢ÀëÐÄ»úµÈ¶à¸öÓ¦ÓÃÏÖ³¡¡£


×¢£º±¾ÎÄͬʱ¿¯µÇÔÚ¿ØÖÆÍø£¨www.kongzhi.net£©&¡¶×Ô¶¯»¯²©ÀÀ¡·ÔÓÖ¾2020ÄêµÚ6ÆÚ¡°¹Ø×¢±äƵÆ÷¡±¼¼ÊõרÌâ


*µã»÷²é¿´¸ü¶à±ØÒ»Ô˶¯±äƵÆ÷



ÉϺ£±ØÒ»Ô˶¯×Ô¶¯»¯¹É·ÝÓÐÏÞ¹«Ë¾

³ÉÁ¢ÓÚ1996Ä꣬¾Û½¹ÐÐÒµµÄSMART SOLUTION

HMI | µÍѹËÅ·þ | Ô˶¯¿ØÖÆÏµÍ³ | PLC | ±äƵÆ÷| Öǻ۹¤³§½â¾ö·½°¸

ÁªÏµÓÊÏ䣺sales@

΢ÐÅÃû³Æ£º±ØÒ»¡¤Ô˶¯(B-Sports)¹Ù·½ÍøÕ¾£¨É¨Âë¹Ø×¢£©

±ØÒ»Ô˶¯¹ÙÍø


400 700 5281

ÏúÊÛ/¼¼ÊõÖ§³ÖÈÈÏߣ¨ÖÜÒ»ÖÁÖÜÁù 9:00~20:00£©

sales@

¹Ù·½Æì½¢µê

1688

?

? ±ØÒ»¡¤Ô˶¯(B-Sports)¹Ù·½ÍøÕ¾ B-sports¹Ù·½ÍøÕ¾